Рейтинг@Mail.ru
+7(968) 025-23-24 Андреевка
+7(495) 975-50-60 Многоканальный
+7(999) 599-50-60 Зеленоград

График работы 09:00-20:00

Без перерыва и выходных

Номер корзины: 816-238
Замок Sam (Сам) врезной сувальдный ЗВ8-4С/15 (без отв. планки), 5 кл. /76604/

Замок Sam (Сам) врезной сувальдный ЗВ8-4С/15 (без отв. планки), 5 кл. /76604/ в zel-dveri.ru.

Производитель:
САМ
780
руб.
Количество:
Артикул:
36121
Есть в наличии
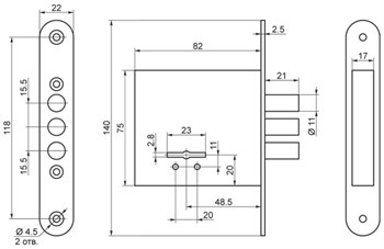
Замок врезной 4-х сувальдный ЗВ8-4С/15 рекомендован для установки в двери толщиной 40-50 мм на период ремонта или строительства для дверей в помещениях с невысокими требованиями к охранным свойствам. Замок универсальный, возможна установка как в правые, так и в левые двери. В комплекте: шестигранные накладки (цинковое покрытие), 5 стальных ключей длиной 70 мм. Ответная планка в комплект не входит. Замок открывается и закрывается изнутри и снаружи ключом. Засов из трех штырей круглого сечения. Покрытие корпуса — цинковое. Покрытие лицевой и ответной планок — цинковое. Замок имеет защиту от высверливания, защиту от отмычек. Изготовлен из высокопрочных материалов. Имеет защитное покрытие. Количество секретных комбинаций - 500. Вылет ригелей — 21 мм, диаметр ригеля — 11 мм. Бэксет: 48,5 мм.
Купить Замок Sam (Сам) врезной сувальдный ЗВ8-4С/15 (без отв. планки), 5 кл. /76604/ в Зеленограде, Солнечногорске, Химки.
  • Бэксет (удаление ключевого отверстия)
    48,5 мм
  • Вес
    470 г
  • Вес двери
    Не имеет значения
  • Вылет ригеля
    21 мм
  • Габариты инд уп-ки (ШхГхВ)
    145x150x43 мм
  • Гарантия
    2 года
  • Длина ключа
    70 мм
  • Дополнительная защита
    Защита от отмычек
  • Задвижка
    Нет
  • Защита от копирования ключа
    Нет
  • Класс безопасности
    1
  • Количество ключей
    5
  • Количество комбинаций
    500
  • Количество ригелей
    3
  • Материал
    Сталь
  • Наличие выводов для тяг
    Нет
  • Наличие лицевой планки
    С планкой
  • Отверстия под стяжки
    Нет
  • Производитель
    САМ
  • Размер ригеля
    11 мм
  • Серия
    ЗВ8
  • Способ установки
    Врезной
  • Страна
    Россия
  • Тип дверей
    Для металлических дверей
  • Тип замка
    Дополнительный (верхний)
  • Тип механизма секретности
    Сувальдный
  • Тип упаковки
    Пакет
  • Толщина двери
    40-50 мм
  • Цвет
    Никель

Компания «ZEL-DVERI.RU» оперативно доставляет заказы на дом или в офис, а также предоставляет покупателям возможность самостоятельно приехать за своей покупкой! Вы можете выбрать один из двух способов получения заказа:

 

  • - Самовывоз из нашего офиса.Схема проезда и контакты. Срок изготовления заказа 2 - 5 рабочих дней.

  • - Доставка по Москве 700,00 руб. Срок изготовления заказа 2 - 5 рабочих дней. Подьём от 100 руб.

  • - Доставка за пределы МКАД  700 руб. + 20 руб./км. Срок изготовления заказа 2 - 5 рабочих дней. Подьём от 100 руб. 

  • - Доставка по Зеленограду 300,00 руб. Срок изготовления заказа 2 - 5 рабочих дней. Подьём от 100 руб.

 

  1.  При самовывозе в Зеленограде вы оплачиваете только стоимость товара, но забрать покупку в офисе «ZEL-DVERI.RU» придётся самостоятельно по адресу: Алабушевская улица строение 1 поселок Андреевка, Солнечногорский район, Московская область, Россия

    Пожалуйста, дождитесь подтверждения вашего заказа оператором перед совершением самовывоза.

  2.  Доставка жителям Зеленограда осуществляется в кротчайшие сроки! Если вы оформили заказ в интернет магазине до 13:00, мы доставим Вам товар не позднее, чем через 2-5 дня. Если это не заказной товар!. Стоимость доставки составляет 300 рублей. 

  3.  Если вы живёте за МКАДом (не далее 100 км), заказанный товар приедет не позднее, чем через 2-5 дня. Стоимость доставки составит 700 рублей плюс по 20 дополнительных рублей за каждый километр от МКАД. 

Обратите особое внимание!

  • - При отказе от оплаты заказа, вы обязуетесь внести неустойку в размере 700 рублей, какой бы ни была сумма неоплаченной покупки.

  • - На скорость доставки напрямую влияет наличие товара на складе у производителя, а также загруженность транспортного отдела. Мы сделаем всё от нас зависящее, чтобы доставить ваш заказ максимально оперативно!

  • - Проверяйте целостность товара и его комплектацию при курьере в случае доставки по Москве и Московской области. В случае наличия царапин или других повреждений, брака или несоответствия комплектации той, что заявлена производителем, дефект будет устранён за счёт компании «ZEL-DVERI.RU», и повторная доставка тоже будет за наш счёт.

С самыми светлыми пожеланиями, ваш «ZEL-DVERI.RU». 

Вы всегда сможете обсудить способы и цены на доставку с нашими менеджерами.

Профессиональный мастер по установке входных дверей.(с гарантией от магазина)

Контакты.: 8 968 025-23-24 

Профессиональный мастер по установке межкомнатных дверей.(с гарантией от магазина)

Контакты.: 8 968 025-23-24 

При обращении к частному мастеру, пожалуйста, учитывайте, что ему не всегда удается спланировать время. На каждом объекте могут возникнуть свои сложности, в связи с чем, время монтажа может быть увеличено, а следующие заказы приходится переносить. Поэтому, желательно договариваться на ближайшие даты: сегодня-завтра. Ожидание имеет смысл при обращении по рекомендации. После 15-00 заявки принимаются на следующий день.

Перед установкой межкомнатных дверей, во избежание потери чужого времени, необходимо проверить следующее:

  • проверить наличие необходимой фурнитуры, доборов, наличников;
  • произвести их предварительный осмотр на предмет наличия повреждений упаковки,
  • уточнить стороны открывания.

По приходу мастера необходимо уже вместе с ним более детально изучить все двери и комплектующие, измерить проемы, если уже есть повреждения, как дверей, так и отделки — зафиксировать это. Перед началом установки должен быть доступен человек  для выяснения всех возможных вопросов. На объекте обязательно должно быть электричество, так как большинство работ выполняется с помощью электроинструмента, а также санузел.

Cреднее время установки одной двери  занимает у одного мастера (монтажника) около 4 часов.

Необходимо заранее определить и подготовить место, где будут производиться пыльные работы, а также ровное и чистое  место для сборки коробки.  Осмотрите проемы: выключатели не должны мешать установки наличника, стыки напольных покрытий должны быть под полотном, так же как сами напольные покрытия должны быть готовы. Все последующие отделочные работы не должны приводить к сильным перепадам влажности и температуры, во избежание расширения и деформации полотен.

Самый частый вопрос: во сколько обходится в среднем установка дверей в Зеленограде? В настоящее время примерно 3000 рублей.

Цена складывается из того, что часто нужно поставить  доборы, врезать замки, произвести демонтаж старой двери, подрезать полотно, это отнимает время. Посмотрите, во сколько Вам обойдутся все дополнительные работы в другой фирме, возможно значительное увеличение стоимости.  В старом фонде может быть немного дороже, в связи с отсутствием подготовки проемов (особенно в коммуналках на В.О. и просто старых кирпичных домах), там часто приходится уменьшать проемы, так как старые дверные коробки были значительной толщины и устанавливались на века. В новых домах работать проще и цена ниже. Более подробно о ценах на установку дверей Вы можете узнать по этой ссылке: стоимость установки

Следует должным образом подходить к подготовке  проемов. Часто высота чистового проема бывает около 210 см, а это нужно только для финских дверей , большинство отечественных дверей имеют высоту по коробке 204 см и проем под них желателен 206 см, иначе наличник может не перекрыть верхний зазор. У некоторых дверей толщина коробки в самой тонкой части составляет 17 мм, она сделана из МДФ и для установки ее в стандартный проем требуется заужение проема. Лучше всего для этого подходят бруски 20х40 мм на всю высоту проема.

Если у Вас в квартире стены не выровнены по вертикали, то желательно приобрести двери с телескопическим наличником. Это оптимальное решение, в противном случае, возможно два варианта: поставить дверь  криво (то есть по стене)  или с зазором между наличником и стеной. Но при этом нужно учитывать, что телескопический наличник не всегда позволяет открыть дверь на 180 градусов, потому что полотно будет утоплено относительно плоскости стены.

Обратите внимание, что во многих фирмах по установке дверей существует минимальный объем работ, выполняемый на адресе(минимальный заказ), либо это будет какая то сумма, которую необходимо доплатить, что бы мастеру было выгодно его выполнять. Эта сумма зависит от дальности адреса, текущих заказов и общей загруженности в текущий момент.

Отзывы